Power Transformers | |
YNF-EI-PIN Type to VDE standards | |
![]() |
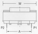
|
Type |
VA |
L |
W |
H |
A |
B |
C |
Ø |
Pin 1 |
Pin 2 |
YNF 41-10 |
2.5 |
42.0 |
34.0 |
29.1 |
25.4 |
- |
- |
1.0 |
4 |
4 |
YNF 41-17 |
4.0 |
42.0 |
34.0 |
34.5 |
25.4 |
5.0 |
10.0 |
1.0 |
4 |
4 |
YNF 48-17 |
8.0 |
49.0 |
41.0 |
34.5 |
28.8 |
5.0 |
10.0 |
1.0 |
4 |
4 |
YNF 57-20 |
15.0 |
58.0 |
48.5 |
40.5 |
38.8 |
5.0 |
10.0 |
1.0 |
6 |
6 |
YNF 66-16 |
18.0 |
67.0 |
56.0 |
39.7 |
42.6 |
- |
- |
1.0 |
6 |
6 |
YNF 76-20 |
25.0 |
77.0 |
64.5 |
46.0 |
48.0 |
7.6 |
7.6 |
1.0 |
6 |
6 |
Minimum Order Quantity (MOQ) = Please enquire | |
![]() ![]() |